ODER-Gatter

Ein ODER-Gatter hat zwei Eingänge und einen Ausgang.

Die Ausgabe wird durch die Eingabe auf Grund folgender Zuordnung festgelegt:
 
a
b
a v b
0
0
0
0
1
1
1
0
1
1
1
1

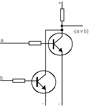
Schaltung mit Transistoren und Widerständen (es ergibt sich zunächst ein NICHT-ODER-Baustein, der dann aber durch ein angehängtes NICHT zu einem ODER-Baustein wird):

 

Schaltzeichen: