UND-Gatter

Ein UND-Gatter hat zwei Eingänge und einen Ausgang.

Die Ausgabe wird durch die Eingabe auf Grund folgender Zuordnung festgelegt:
 
a
b
a ^ b
0
0
0
0
1
0
1
0
0
1
1
1

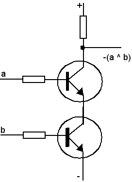
Schaltung mit Transistoren und Widerständen (es ergibt sich zunächst ein NICHT-UND-Baustein, der dann aber durch ein angehängtes NICHT zu einem UND-Baustein wird):

Schaltzeichen: